
T
T
T
S
S
S
6
6
6
4
4
4
M
M
M
S
S
S
D
D
D
6
6
6
4
4
4
V
V
V
3
3
3
F
F
F
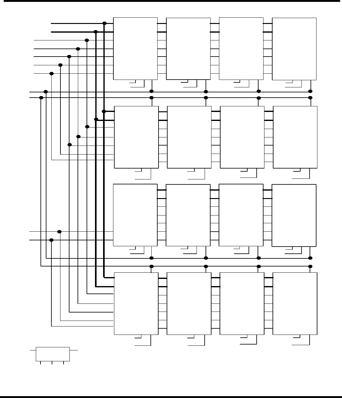
200PIN DDR333 Unbuffered SO-DIMM
512MB With 32Mx8 CL2.5
Block Diagram
SCL SDA
SCL
SDA
Serial EEPROM
A0 A1 A2
SA0 SA1 SA2
A0~A12,
BA0,BA1
DQ0~DQ7
/RAS
/CAS
/WE
/CS
CKE
CK,/CK
DM
DM0
A0~A12,
BA0,BA1
DQ0~DQ7
/RAS
/CAS
/WE
/CS
CKE
DM
DM6
A0~A12,
BA0,BA1
DQ0~DQ7
/RAS
/CAS
/WE
/CS
CKE
DM
DM4
A0~A12,
BA0,BA1
DQ0~DQ7
/RAS
/CAS
/WE
/CS
CKE
DM
DM2
A0~A12,
BA0,BA1
DQ0~DQ7
/RAS
/CAS
/WE
/CS
CKE
DM
DM1
A0~A12,
BA0,BA1
DQ0~DQ7
/RAS
/CAS
/WE
/CS
CKE
DM
DM3
A0~A12,
BA0,BA1
DQ0~DQ7
/RAS
/CAS
/WE
/CS
CKE
DM
DM5
A0~A12,
BA0,BA1
DQ0~DQ7
/RAS
/CAS
/WE
/CS
CKE
DM
DM7
A0~A12,
BA0,BA1
DQ0~DQ63
/RAS
/CAS
/WE
/CS0
CKE0
DQS
DQS0
DQS
DQS
DQS
DQS
DQS
DQS
DQS
DQS2
DQS4
DQS6
DQS7
DQS5
DQS3
DQS1
CK,/CK
CK,/CK
CK,/CK
CK,/CK
CK,/CK
CK,/CK
CK,/CK
CK0,/CK0
CK1,/CK1
32Mx8
DDR
SDRAM
32Mx8
DDR
SDRAM
32Mx8
DDR
SDRAM
32Mx8
DDR
SDRAM
32Mx8
DDR
SDRAM
32Mx8
DDR
SDRAM
32Mx8
DDR
SDRAM
32Mx8
DDR
SDRAM
A0~A12,
BA0,BA1
DQ0~DQ7
/RAS
/CAS
/WE
/CS
CKE
CK,/CK
DM
DM0
A0~A12,
BA0,BA1
DQ0~DQ7
/RAS
/CAS
/WE
/CS
CKE
DM
DM6
A0~A12,
BA0,BA1
DQ0~DQ7
/RAS
/CAS
/WE
/CS
CKE
DM
DM4
A0~A12,
BA0,BA1
DQ0~DQ7
/RAS
/CAS
/WE
/CS
CKE
DM
DM2
A0~A12,
BA0,BA1
DQ0~DQ7
/RAS
/CAS
/WE
/CS
CKE
DM
DM1
A0~A12,
BA0,BA1
DQ0~DQ7
/RAS
/CAS
/WE
/CS
CKE
DM
DM3
A0~A12,
BA0,BA1
DQ0~DQ7
/RAS
/CAS
/WE
/CS
CKE
DM
DM5
A0~A12,
BA0,BA1
DQ0~DQ7
/RAS
/CAS
/WE
/CS
CKE
DM
DM7
/CS1
CKE1
DQS
DQS0
DQS
DQS
DQS
DQS
DQS
DQS
DQS
DQS2
DQS4
DQS6
DQS7
DQS5
DQS3
DQS1
CK,/CK
CK,/CK
CK,/CK
CK,/CK
CK,/CK
CK,/CK
CK,/CK
32Mx8
DDR
SDRAM
32Mx8
DDR
SDRAM
32Mx8
DDR
SDRAM
32Mx8
DDR
SDRAM
32Mx8
DDR
SDRAM
32Mx8
DDR
SDRAM
32Mx8
DDR
SDRAM
32Mx8
DDR
SDRAM
This technical information is based on industry standard data and tests believed to be reliable. However, Transcend makes no warranties, either
expressed or implied, as to its accuracy and assume no liability in connection with the use of this product. Transcend reserves the right to make changes
in specifications at any time without prior notice.
Transcend Information Inc.
4
Comentários a estes Manuais