
T
T
T
S
S
S
3
3
3
2
2
2
G
G
G
S
S
S
S
S
S
D
D
D
2
2
2
5
5
5
-
-
-
M
M
M
T
T
T
S
S
S
6
6
6
4
4
4
G
G
G
S
S
S
S
S
S
D
D
D
2
2
2
5
5
5
-
-
-
M
M
M
T
T
T
S
S
S
1
1
1
2
2
2
8
8
8
G
G
G
S
S
S
S
S
S
D
D
D
2
2
2
5
5
5
-
-
-
M
M
M
2.5” Solid State Disk
Transcend Information Inc.
V1.00
34
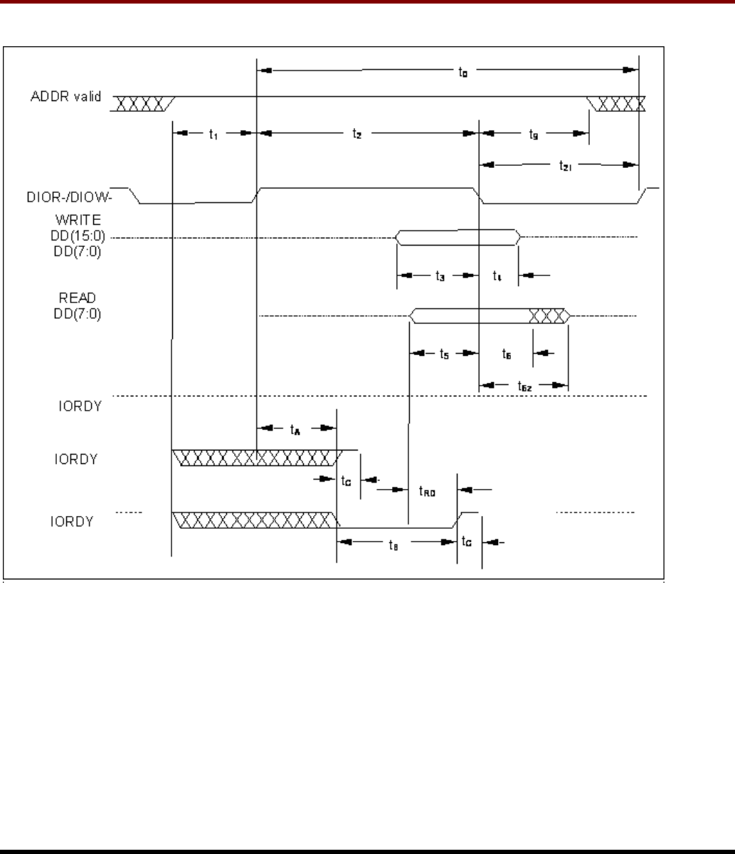
PIO data transfer to/from device
Comentários a estes Manuais